Don't think! Just do it!

종합 IT 기술 정체성 카오스 블로그! 이... 이곳은 어디지?

IOT 10

SSL/TLS embedded for IoT #6

SSL/TLS embedded for IoT 이 글은 embedded IoT device의 보안에 관한 글입니다. embedded SSL/TLS 여섯번째입니다. 너무 몰아붙이나요? ㅎㅎ 아니겠죠 ㅎㅎ 저만 ㅠㅠ 여러분들은 시간날 때 보면 되니까 ㅠㅠ 암튼 전 주말이지만 기다리시는 분들이 계셔서 계속 진행합니다. 오늘은 W5500 iolibrary와 mbedTLS를 이어 붙이는 시간이 될 거에요. 하지만 그 전에 SSL/TLS라는 게 서버든 클라이언트든 있어야 하잖아요? 또 그러기 위해서는 뭔가... 그 뭐냐... 그그그그그.... Application!이 있어야 하겠죠? 제가 건망증이 좀 있습니다. 양해 좀 ㅎㅎ 우리가 지금 IoT 하고 있잖아요? 그래서 네트워크 어플리케이션으로 MQTT를 정하겠습니다...

SSL/TLS embedded for IoT #5

SSL/TLS embedded for IoT 이 글은 embedded IoT device의 보안에 관한 글입니다. embedded SSL/TLS 다섯번째입니다. 업로드가 느려 죄송한 마음에 하나 더 포스팅을 하도록 하겠습니다. 계속 본격적이라고 해놓고는 SSL 포팅은 맛도 못봤기 때문에 이번 시간에 SSL 포팅 바로 전까지 마무리하고 이후에는 SSL 포팅과 application을 진행하도록 하겠습니다. 저번 시간에는 main에 W5500만 초기화하는 코드를 넣었습니다. 이제는 W5500을 초기화 하고 network 정보를 입력할 시간입니다. W5500HardwareDriver.c에 W5500Initialize() 함수를 추가해 줄 거에요. void W5500Initialize(void) { unsigne..

SSL/TLS embedded for IoT #3

SSL/TLS embedded for IoT 이 글은 embedded IoT device의 보안에 관한 글입니다. embedded SSL/TLS 세번째입니다. 준비물을 전부 준비하셨다면 시작해 보도록 하겠습니다. CoIDE 설치는 아래 블로그에서 상세하게 설명되어 있습니다. CoIDE 설치하기->> http://engschool.tistory.com/entry/CoIDE-2%EB%B2%88%EC%A7%B8 그럼 프로그램을 작성해보도록 하겠습니다. 메뉴에서 Project -> new project를 선택하시면 repository라는 이름의 탭이 추가되어 보여지면서 Chip 혹은 Board를 선택할 수 있습니다. 여기에서 우리는 board를 선택하도록 하지요. 그리고 나서 ST 탭을 선택하시면 제가 선택한 ..

SSL/TLS embedded for IoT #2

SSL/TLS embedded for IoT 이 글은 embedded IoT device의 보안에 관한 글입니다. embedded SSL/TLS 두번째입니다. embedded용 SSL/TLS 라이브러리가 가장 궁금하실 것 같습니다. 우선 거의 대부분의 embedded용도의 SSL/TLS는 유료입니다. 그런데 이 와중에 ARM사가 Polar SSL을 인수하여 mbedTLS로 이름을 바꾸고 Apache 2.0 라이센스로 배포해버렸습니다. ARM 감사~Apache 2.0의 의미는 아시겠지만 누구나 자유롭게 사용가능하고 상업적 목적도 가능합니다. 우선 mbedTLS 주소는 여기에요.-> https://tls.mbed.org/ Download mbed TLS 클릭하시면 바로 다운로드 됩니다. 소스 코드를 다운로드..

SSL/TLS for embedded IoT #1

SSL/TLS embedded for IoT 이 글은 embedded IoT device의 보안에 관한 글입니다. SSL/TLS는 근래에 광범위하게 사용되는 암호화 방식입니다. 여기서 주저리 주저리 설명하는 것보다 제가 SSL 공부할 때 유용하게 방문했던 사이트 주소를 가르쳐 드릴게요. https://wiki.kldp.org/HOWTO/html/SSL-Certificates-HOWTO/x70.html 어디서 사용되냐구요? 보통은 웹브라우저에서 많이 사용됩니다. 일반적으로 SSL이 적용된 사이트는 "http://"가 아닌 "https://"를 사용합니다. 그리고 SSL이 인증된 사이트는 크롬에서는 주소창 맨 앞에 녹색 자물쇠 모양이 표시되고 익스플로러에서는 주소 끝에 자물쇠 모양이 표시됩니다. 크롬 브라우..

IoT Project 3. 회로설계 - D

IoT Project 3. 회로 설계 - D 드디어 회로 마지막 시간이네요. 이번에는 FT-2232쪽 회로를 뜯어볼건데요. 레퍼런스 회로가 있는 듯 없는 듯 애매합니다. 그래도 걱정하지 마세요!! 우리에겐 구글이 있으니까요. ^^ 그럼 시작하겠습니다. FTDI사는 USB to RS232 Converter로 유명한 회사입니다. 하지만 전 그것보다 USB to JTAG이 더 맘에 듭니다. USB to Jtag을 지원하는 IC는 몇가지가 있는데요 저는 2 port를 지원하는 FT2232D를 선택했습니다. 한 포트는 UART로, 한 포트는 Jtag으로 사용하기 위해서 입니다. 그래서 IoT 보드에 USB를 꽂으면 아래 사진처럼 COMPORT 장비가 2개 잡힙니다. 제 PC 기준으로는 COM16번과 COM17번으..

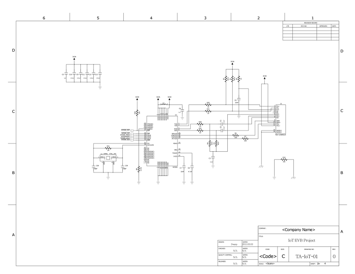
IoT Project 3. 회로설계 - C

IoT Project 3. 회로 설계 - C 겁나 죄송하다는 말씀부터 드리겠습니다.4월에 포스팅하고 7월에 포스팅을 하다니 ㅠㅠ 죄송합니다. 뭐 문제가 생긴거 아니냐라고 하시는 분들도 계신데;;;그냥 제가 게을러서 그런겁니다. 좀더 의무감을 가지고 진행하도록 하겠습니다. 사실 보드는 제작이 이미 완료되어 테스트까지 마치고 제 직장에서 강의 용도로 사용하고 있습니다.위즈네트라는 회사구요, 강의는 무료로 진행되니까;;;오시던지~ 마시던지! (사실 회사 홍보하는 거 같아서 간지럽습니다.) 그리고 이 프로젝트에서 사용된 회로도 및 아트웍 그리고 PCB 용도의 거버 파일까지 몽땅 다 드릴 수 있어요.필요하신 분들은 방명록이나 다른 어디라도 e-mail주소 남겨주시면 보내드리도록 하겠습니다.이 보드 모양 그대로 판..

IoT Project 3. 회로설계 - A

IoT Project 3. 회로 설계 - A 거의 한달만에 포스팅하는 거라 죄송하다는 말씀부터 드리겠습니다. 이직으로 인한 이사 등등으로 너무 바빠서 ㅠㅠ 이해 부탁드리겠습니다. 그리고 사실... 회로 설계랑 아트웍 둘 다 완료해버렸습니다. ㅠㅠ 현재 샘플 발주도 나간 상태구요. ㅠㅠ 오픈 소스 하드웨어 로고를 달고자 오픈 소스 툴로 진행하려 했지만... 적응하는 기간이 너무 많이 걸리는 문제로 ㅠㅠ 제가 사용하던 유료 툴을 그냥 사용했습니다. ㅠㅠ. 죄송합니다. 암튼 회로 설계 시작하겠습니다. 회로 설계에 앞서 가장 처음 시작해야 하는 것이 무엇일까요? 바로 데이터시트를 수집하는 일입니다. 폴더를 만들고 따로 관리를 합니다. 폴더를 보시면 아시겠지만 Data sheet 폴더 말고 Reference Ci..

IoT Project 1. 컨셉 작업.

IoT Project 1. 컨셉 작업 어떠한 프로젝트라도 진행하는데에는 분명한 목적이 있습니다. 예를 들면 이런 것들이죠. Ethernet으로 소방 관제 시스템을 만들자! 라던지 Ethernet으로 강아지 밥주는 시스템을 만들자! 라던지 기타 등등 이죠. 하지만 이런 생각만 가지고는 프로젝트를 시작할 수는 없습니다. 흔히들 프로젝트가 산으로 간다고 말하는 매우 위험한 상태가 쉽게 올 수 있습니다. 어줍잖게 산으로 가다가 산을 넘어서 최단 경로로 목적지에 도달할 수도 있겠지만 가능성은 희박합니다. 그래서 전 항상 프로젝트 시작 첫 번째로 "컨셉 작업"이라는 것을 합니다. 말 그대로 프로젝트 컨셉을 잡는 작업입니다. 비용이라던지 개발 시간이라던지 방향을 잡아 놓고 진행하는 거죠. 물론 프로젝트마다 틀리겠지만..

IoT - 프로젝트 시작.

IoT - 두 번째 시간입니다. 저번 시간에는 IoT의 기술적인 접근성에 관해 이야기했었습니다. 한마디로 "어렵지 않아요~" 였죠? ㅎㅎ 말로는 무슨 말을 못합니까? 실제로 뭐든 똥인지 된장인지 먹어봐야 알겠다라고 하시는 분들도 계십니다. ㅎㅎ 사실 제가 그렇습니다. 그래서! 실제로 해보도록 하겠습니다. 실제로 제품 개발을 하는 것처럼! 처음부터! ~ 끝까지! 전부 다!(회사에서 진행할 때는 결재나 문서화 단계가 있습니다.) 1. 컨셉 작업2. 소자 선정3. 개발 비용 및 제작 단가 산출4. 회로 설계5. 아트웍6. 샘플보드 납땜7. 펌웨어8. 테스트9. 미래에 관한 고찰? 에이~ 다 못한다구요? ㅎㅎ 다 하실 수 있습니다. 개발 계획서를 작성해봐야 자세히 알겠지만 이 모든 과정을 2.5달에서 3.5달안..

반응형