TVS
transient voltage suppressor 의 줄임말..
굳이 한국말로 바꾸면 과도 전압 억제기인데;;;
정말 이런 영어는 억지로 한자로 안바꿨으면 좋겠어...
그냥 좀 이해하기 쉽게 일시적 전압 억제기라던가 순간 전압 억제기같은 걸로 해도 되는데;;;;
어휴 이런거 볼때마다 개짜증! ㅋㅋ
암튼 그냥 ESD 막는 다이오드야.
정전기 같은 애들 말이야.
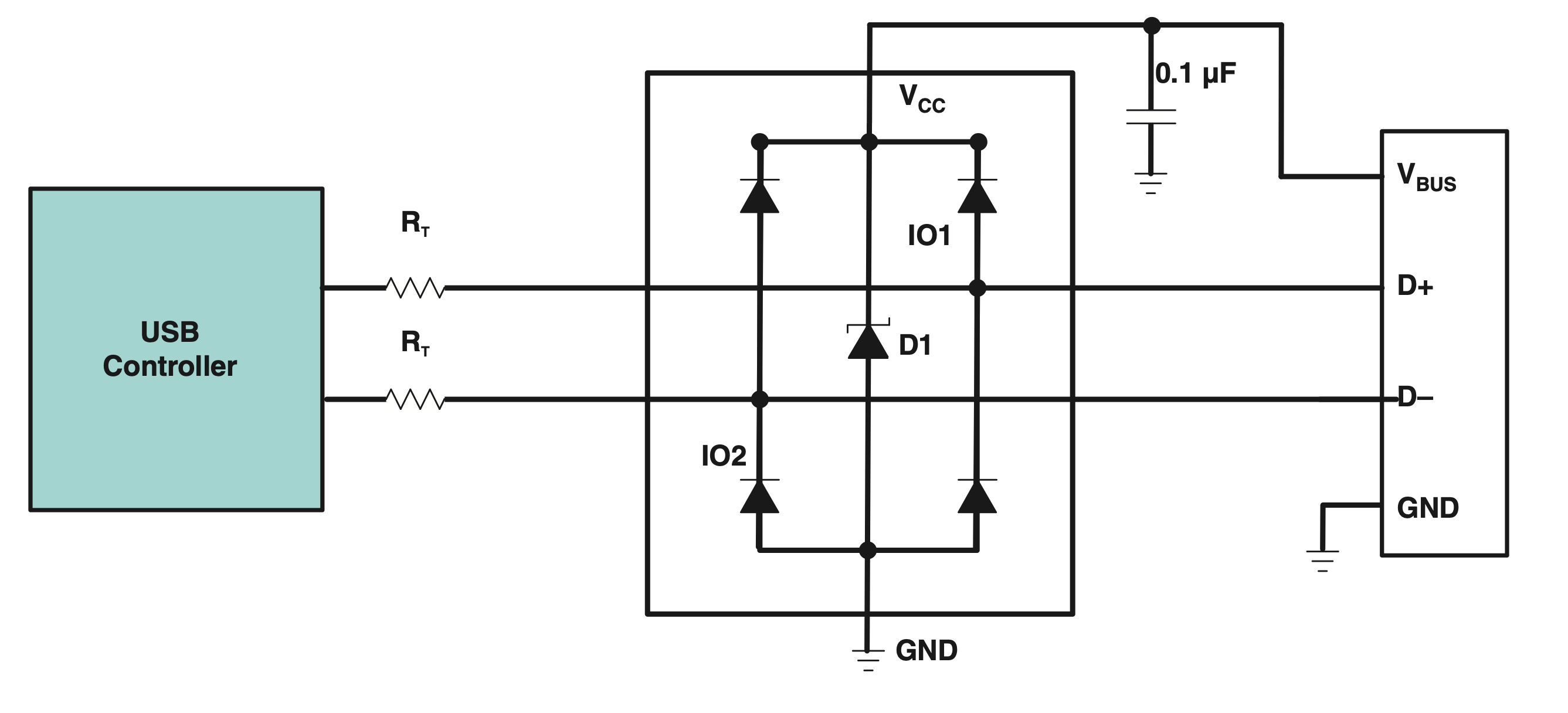
그래서 통신 라인같이 외부로 노출되는 라인에 사용돼.
👇👇

원리는 간단해.
제너 다이오드 비슷한데 동작 속도는 훨씬 빠르지.
항복 전압보다 큰 전압이 들어오면 다이오드가 쇼트된 것처럼 전류를 흘려버려!
그래서 전압이 높아지는 걸 막는거지.
뭐 이런 일반적인 내용은 이미 인터넷에 널려 있으니까 각자 잘 찾아보시고!
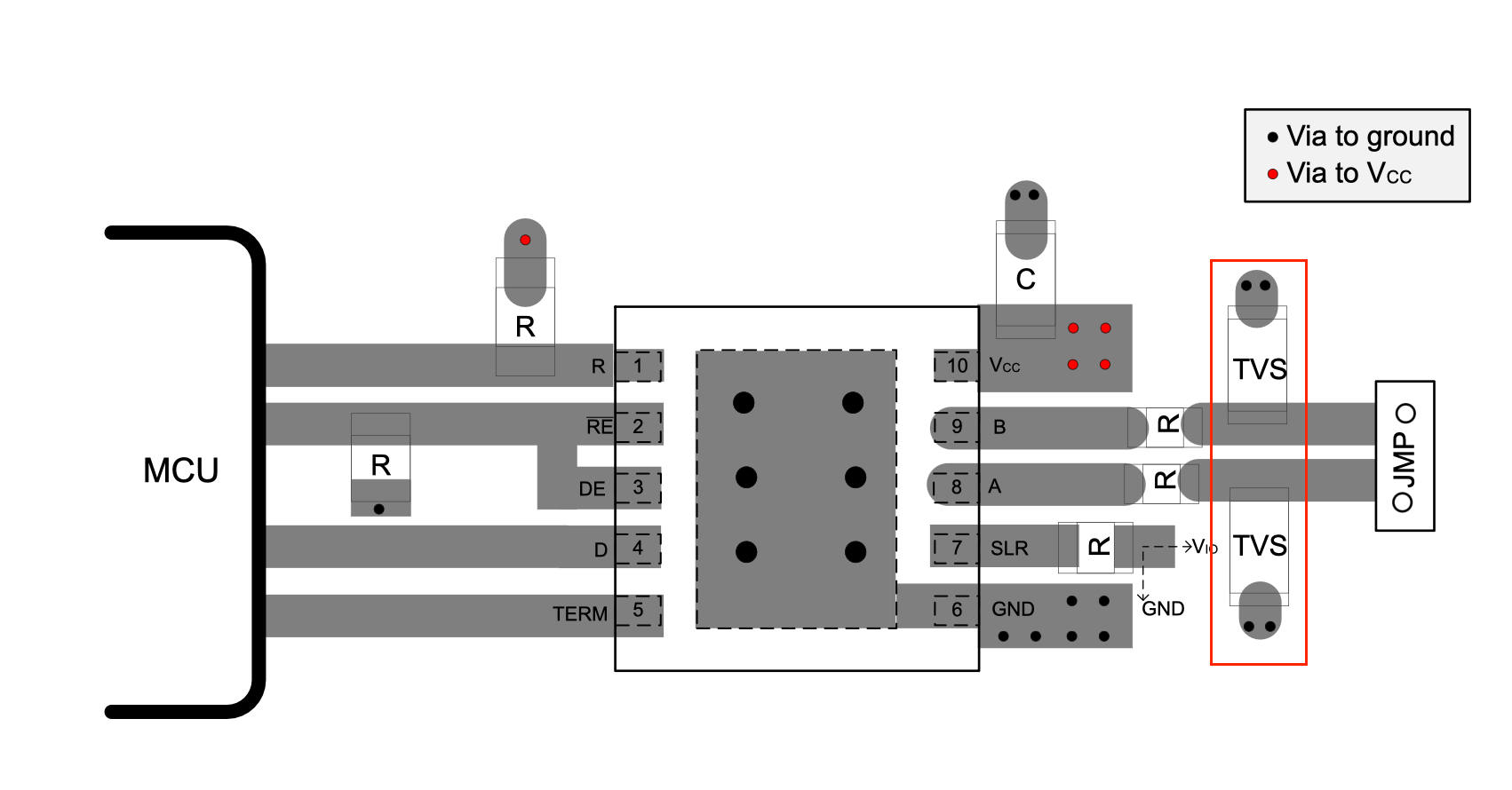
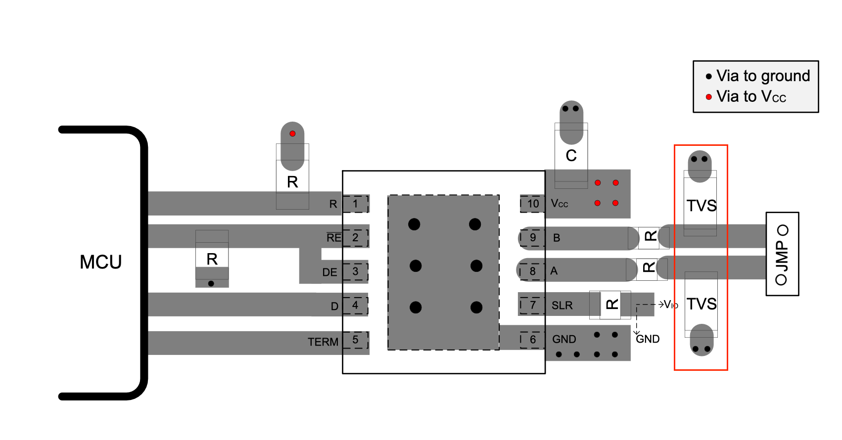
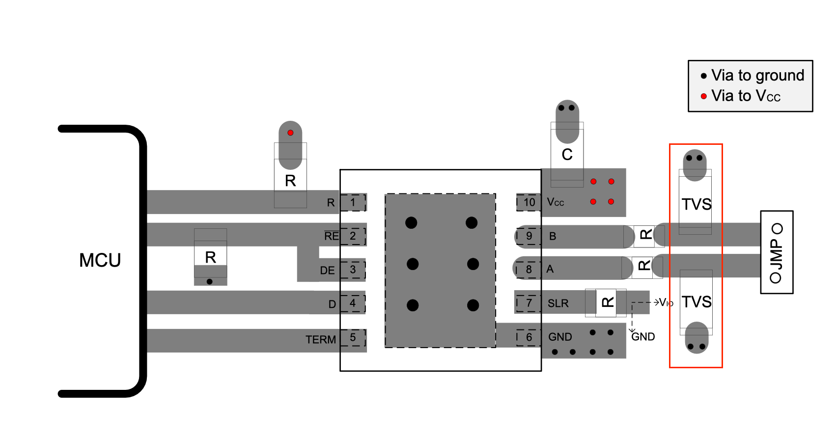
만약 TVS 같은 보호 장치를 안하고 RS485를 현장에 설치한다? ㅋㅋ
현장에서 미친듯이 퍽퍽 터져나갈수도 있어 ㅋㅋ
그래!
TVS가 중요하니까 회로에 적용해야 한다치고!
그럼 도대체 어떤 TVS를 사용해야 하느냐 이거지!
통신 규격에 여러 가지가 많잖아?
RS232, RS485, CAN, USB, Ethernet 기타 등등 말야!
여기서 문제는 이 통신 라인들의 전압 레벨이 규격마다 달라서 거기에 맞춰 TVS를 사용해야 한다는 거야.

귀찮으니까 ㅎㅎㅎ
chatGPT에다가 물어보자구?
👇👇
음... 뭐 이래 뭘 쓰라는 거야?? ㅋㅋㅋㅋㅋ

ㅋㅋㅋ 역시 대놓고 하나만 달라 그래야해 ㅋㅋㅋ
👇👇
음...
SMAJ33CA를 쓰라구우???
진짜?
한번 보자구 ㅋㅋ

괜찮은지 보려면 먼저 어떤 485 ic를 쓸지 결정해야 해.
뭐 이건 그냥 예제니까
TI에 있는 1채널 485 IC 들 중에서 가장 싼 거
SN65176B
이거 사용한다고 가정하고 보자구.

먼저 데이터시트에서 2가지를 확인해야 해.
첫번째는 Absolute Maximum Ratings의 전압 범위.
👇
최대 입력 전압이겠지?
-10 ~ 15V 이 이상 넘어가면 힘들어~
하는 거임 ㅋ

두 번째는 Recommended Operating Conditions의 전압 범위.
👇
즉, 동작 전압이겠지.
-7V ~ 12V 범위.
결국 이 동작 전압 안에서는 TVS는 아무 역할을 안하다가
최대 허용 전압 근처에 가면 전류를 빼서 튀는 전압을 막는 역할을 해야 하겠지.

이 두 가지를 봐야해.
정상 동작 전압!과 최대 허용 전압!
여기에 대응되는 TVS 데이터시트 값이
Stand off voltage와
Maximum Clamping Voltage야.
아까 chatGPT가 추천해준 SMAJ33CA를 살펴볼까?

Stand off voltage가 33V야.
정상 동작 범위가 33V라는 소리임.
그리고 Maximum Clamping Voltage가 53.3V임;;;
넘어도 한참 넘어가버림;;;
TVS 역할을 전혀 못함!
RS485 용 TVS 로는 매~~~~~~~~~우 부적합한 소자인거지 ㅋ
그러니까 chatGPT 너무 믿지 말라구 ㅋㅋㅋ
그럼 뭘 사용하면 될까?
RS485처럼 동작 전압이 비대칭인 소자를 위한... 아니 그냥 RS485용 TVS가 있어 ㅋ
SM712라는 소자인데 그냥 RS485용으로 만든 TVS라고 보면 됨. ㅋ

그래도 데이터 시트를 살펴보면 Standoff voltage가 7V, 12V인데 위에
👆👆
7V는 거꾸로 달린거 보이지?
동작 전압이 -7V, 12V라는 소리야.
그리고 Reverse Breakdown voltage 각각 -7.5V, 13.3V 이상 걸리면 TVS가 동작하기 시작하고
TVS로 1A가 흐를 경우 Clamp voltage가 SN65176B의 최대 허용 전압(-10V, 15V) 근처인 -11V, 19V.
참 적합하지!


RS232도 한번 해볼까?
많이 사용하는 MAX3232E의 경우
👇👇
최대 허용 전압이 입력 ±25V, 출력 ±13.2V이고
동작 전압은 출력 5V, 입력 ±25V.
그런데 출력이 5V라도 반대편 입력이 ±25V로 동작할거니까
결국 전부 25V에 맞춰 TVS를 선택하면 될 듯.


아까 chatGPT가 잘못ㅋㅋ 추천해준 SMAJ 시리즈에서 찾아보면
SMAJ24CA나 SMAJ26CA를 사용하면 될 것 같아.
그런데 조금 더 찾아보니까 제조사(Bourns)에서는 26V 짜리가 레퍼런스로 있네 ㅋㅋㅋ
나는 24V 짜리가 적당해 보이는데 ㅋㅋㅋ


아래 링크는👇👇 제조사에서 만든 TVS selection guide같은 느낌이야!
하드웨어 엔지니어라면 한번쯤 보면 좋을 듯! ㅎㅎ
https://www.bourns.com/docs/technical-documents/technical-library/chip-diodes/publications/bourns_tvs_diode_short_form.pdf
그럼 다들 화이팅 하자고! 안녕!
👋👋👋
'임베디드 하드웨어 > 기타 회로 설계' 카테고리의 다른 글
| [회로 설계] ARTIX 7 회로 설계 (1) | 2023.10.25 |
|---|---|
| STM32F407 32.768kHz Crystal 선정 및 디버그! (3) | 2023.03.16 |
| 220V AC 장비 파워 제어 (2) | 2022.06.05 |
| 고온 측정 회로 / 열전대 회로 (0) | 2022.06.02 |
| AC-DC 컨버터 (0) | 2022.05.19 |